Da ich diesen Winter meine gesamte Elektrik neu machen musste, habe ich dazu zwangsläufig auch ein paar Pläne erstellen müssen. Ich würde diese hiermit mal teilen, vielleicht ist jemand anderem so auch noch geholfen..
Übersicht
Gezeichnet habe ich die Pläne für einen D8506 (somit quasi Vollausbau der Serie) von 1940. Zurückgegriffen wurde dabei maßgeblich auf den Schaltplan D6248 aus der BAL von 1937.
Vermutlich ist die Beschaltung aber auch direkt mit den ähnlichen Glühkopfreihen wie D75xx oder D95xx verwendbar.
Schaltplan Version 1937
Die Nachfolgende Version entspricht quasi genau dem in der BAL abgedruckten Schaltplan. Einzige Abweichung: die Farbcodierung. Diese habe ich komplett neu gewählt, damit man zusammenhängende Leitungen schneller nachverfolgen kann. Ein Originalscan des Schaltplans aus der BAL ist z.B. auch hier im Forum zu finden.
Volle Auflösung im pdf-Format: Link
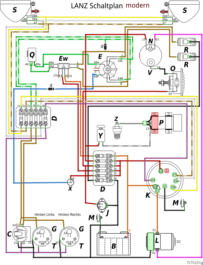
Schaltplan Simpel (1940)
Diese Version ist noch sehr nahe am Original von 1937, hat jedoch kleine Abwandlungen von mir bekommen. Änderungen: neuer "Schaltkasten" HBA-5 ist verbaut sowie die Funktion der Ladekontrollampe vertauscht. Diese erlöscht nun bei korrekter Funktion der Lichtmaschine, so wie man es von heutigen Fahrzeugen gewohnt ist. Durch die Änderung des Schaltkastens ändert sich auch das Aussehen auf dem Armaturenhalter.
Volle Auflösung im pdf-Format: Link
Schaltplan Modern
Hier wird's nun interessant: Das ist der von mir tatsächlich umgesetzte und verdrahtete Schaltplan. Hauptergänzung ist eine Blinkerschaltung mit Warnlichtschalter. Die Winker entfallen hiermit, auch der Suchscheinwerfer und Scheibenwischer wurden im Plan entfernt, können aber natürlich wie gewohnt mit aufgelegt werden. Das Teil mit "Y" vor der Zünspule ist ein simpler Schalter, um die Spule während der Fahrt dann ausschalten zu können. Dieser war bei mir auch so verbaut, das hat ggf. mal ein Landwirt vor langer Zeit nachgerüstet.
Noch ein Wort zum Blink-Theater:
Wie man schon unschwer erkennen kann, ist der ganze extra Aufwand allein der Blinkerei geschuldet. Wer das nicht braucht, möge nicht diesen Plan verwenden und sich somit viel Verdrahtungsaufwand sparen. Für alle anderen:
Das Konzept beruht auf einer (hybriden) Zweikreis-Blinkanlage mit Zweikammerleuchten. Beim Bremsen leuchten die hinteren Blinker also dauerhaft (vorne wird ggf. weiter geblinkt). Alle anderen Blink-Funktionalitäten sind so wie man es gewohnt ist
Notwendig sind dazu eine Reihe von Bauteilen:
- Blinkrelais (Q). Hier tuts auch ein günstiges Zweirad-Relais mit nur zwei Anschlüssen, es sollte aber min. 16A können.
- Zweikreis-Blinkschalter (E). Da wird man heute wohl fast immer zu dem einen Hella-Typ greifen, den es überall gibt.
- Warnblinkschalter (Ew). Spannend, da gibts zig verschiedene. Für meine Version genügt ein simpler Einkreis-Warnblinkschalter.
- die beiden Dioden (d). Diese sind unumgänglich, um diese Schaltung so simpel zu halten. Weglassen führt aufgrund der internen Verdrahtung des Blinkerschalters zu satten Kurzschlüssen(!) wenn geblinkt wird und gleichzeitig die Bremse getreten oder der Warnblinker aktiviert ist. Die Dioden müssen große Ströme tragen können und sollten eine kleine Vorwärtsspannung haben (gerade bei 6V Systemen wichtig!). Standardtypen wie 1N4004 sind daher nicht sehr zu empfehlen, besser man greift zu ordentlichen Dioden aus dem Photovoltaik-Bereich, z.B. 15SQ045. Unbedingt Einbaurichtung beachten!
Volle Auflösung im pdf-Format: Link
Schlusswort
Nun sind hoffentlich alle Klarheiten beseitigt
Bei Fragen, Anregungen und Ideen gerne Antworten!
Grüße
LukeV1
